EC3211-01 Flat Brushless DC Motor
32-mm diameter, 11.2-mm height flat motor for applications requiring tight installations
- Compact
- Low cost
- Bidirectional rotation
- RoHS & REACH compliant
- Specifications
- Dimensions
- Customization
- Applications
- CAD
Specifications
| Part Number | ||
| Parameter | Units | EC3211-01 |
| Nominal Voltage | VDC | 24 |
| Nominal Speed | RPM | 24,000 |
| No-load Speed | RPM | 28,000 |
| Nominal Torque | mNm | 13 |
| Nominal Current | A | 1.5 |
| Terminal Resistance | Ω | 4 (phase-to-phase) |
| Inductance | mH | .268 |
| Ke | V/krpm | 0.87 |
| Kt | mNm/A | 8.3 |
| Hall Sensor | Type 2442SO-N | |
| Operating Temp | -30°C to +80°C | |
| Insulation Class | Class B | |
| Dielectric Strength | 500 VDC for 1 min | |
| Insulation Resistance | ≥100MΩ at 500 VDC | |
| Mounting | 3×M3 holes | |
| FFC Pitch | 1.25 mm |
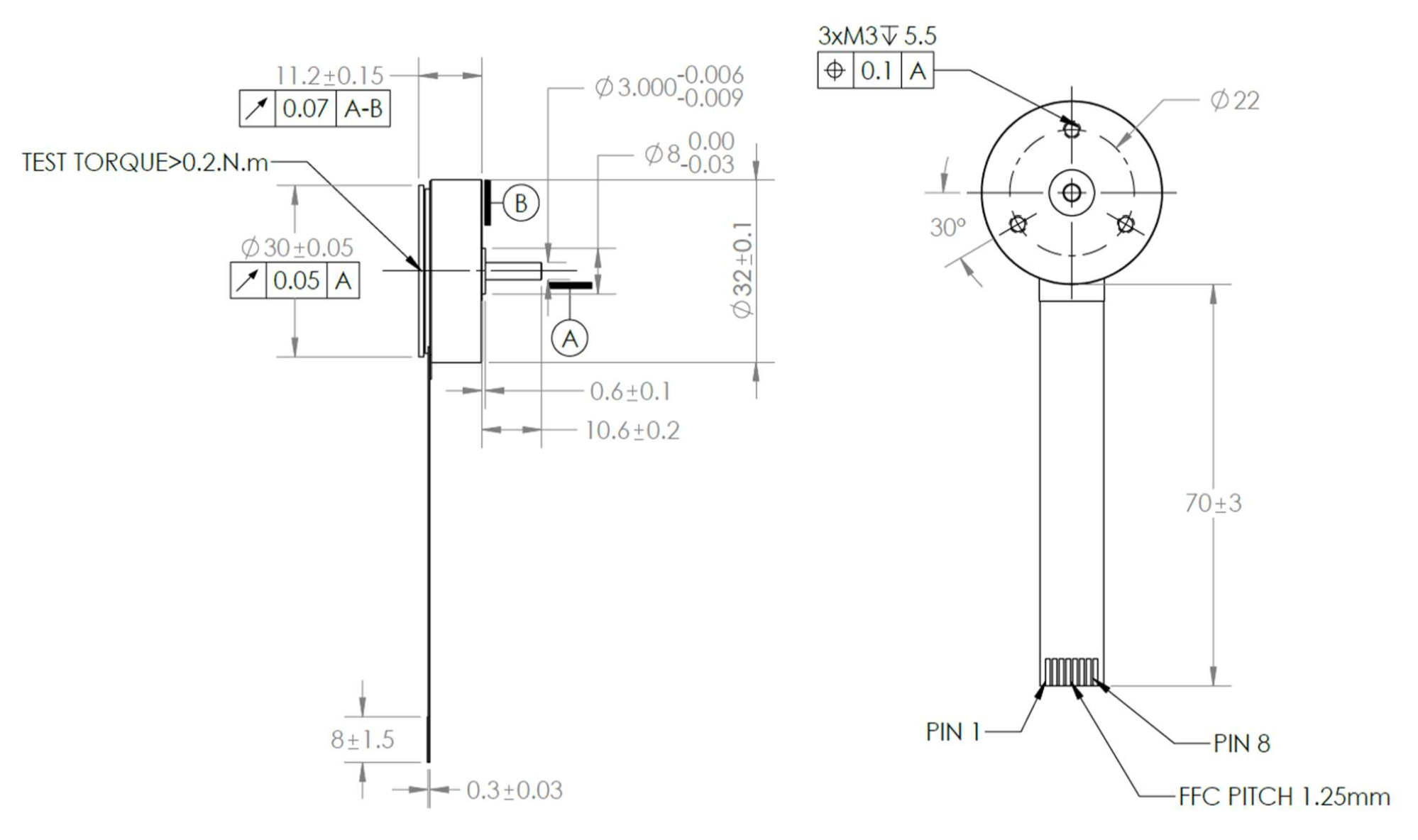
Dimensions
EC3211-01

Customization
Orbex offers a variety of customizable features to improve motor efficiency, meet custom voltage requirements and reduce package size.
Custom Options
- Windings
- Holding brakes
- Feedback options
- Frameless option
- Gear reducers
- Connectors
- Shaft and mounting
Applications

Robotics

Machine Tools

Analytical Instruments

Packaging

Custom Machinery


